1
/
の
3
FYH
FYH UCFC209 45mm Round Flanged Bearing Mounted Bearing
FYH UCFC209 45mm Round Flanged Bearing Mounted Bearing
通常価格
$116.99 USD
通常価格
$179.00 USD
セール価格
$116.99 USD
単価
/
あたり
受取状況を読み込めませんでした
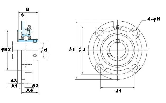
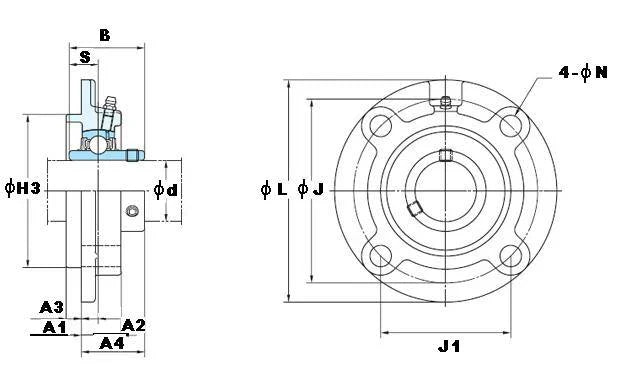
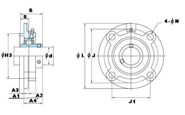
UCFC209 FYH Bearing Round flanged Mounted Bearing Cylindrical bore (with set screws) 45mm Inner Diameter Bearing |
This four-bolt flange cartridge unit has a round cartridge on the backside of the flange which allows for precise mounting and alignment.Application are Rotating drum, rotating roller and areas where precise mounting accuracy is required.
|
Share


