1
/
の
3
FYH
FYH UCFC211-34 2 1/8 Round Flanged Bearing Mounted Bearing
FYH UCFC211-34 2 1/8 Round Flanged Bearing Mounted Bearing
通常価格
$184.99 USD
通常価格
$283.00 USD
セール価格
$184.99 USD
単価
/
あたり
受取状況を読み込めませんでした
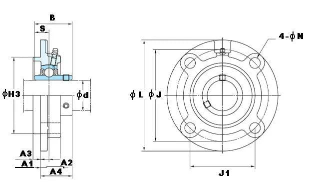
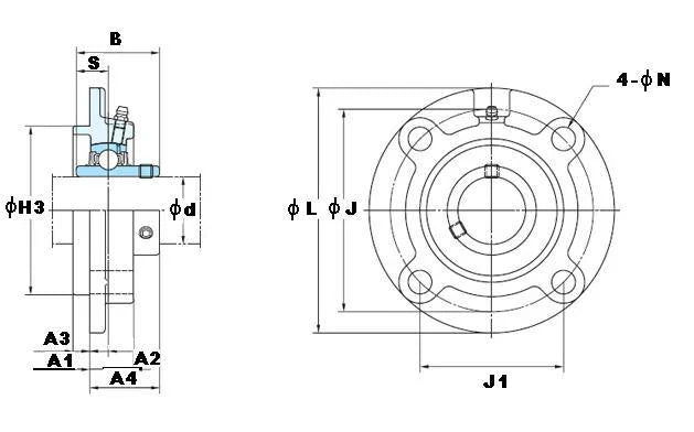
UCFC211-34 FYH Bearing Round flanged Mounted Bearing Cylindrical bore (with set screws) 2 1/8" Inner Diameter Bearing |
This four-bolt flange cartridge unit has a round cartridge on the backside of the flange which allows for precise mounting and alignment.Application are Rotating drum, rotating roller and areas where precise mounting accuracy is required.
|
Dimensions (Inches) | |||||||||||
---|---|---|---|---|---|---|---|---|---|---|---|
d | L | H3 | J | J1 | N | A1 | A2 | A3 | A4 | B | S |
2-1/8" | 7-9/32" | 4-59/64" | 5-29/32" | 4-11/64" | 3/4" | 1-7/32" | 33/64" | 15/32" | 1-13/16" | 2-3/16 | 7/8" |
Share


