1
/
の
3
FYH
FYH UCFC212 60mm Round Flanged Bearing Mounted Bearing
FYH UCFC212 60mm Round Flanged Bearing Mounted Bearing
通常価格
$210.99 USD
通常価格
$323.00 USD
セール価格
$210.99 USD
単価
/
あたり
受取状況を読み込めませんでした
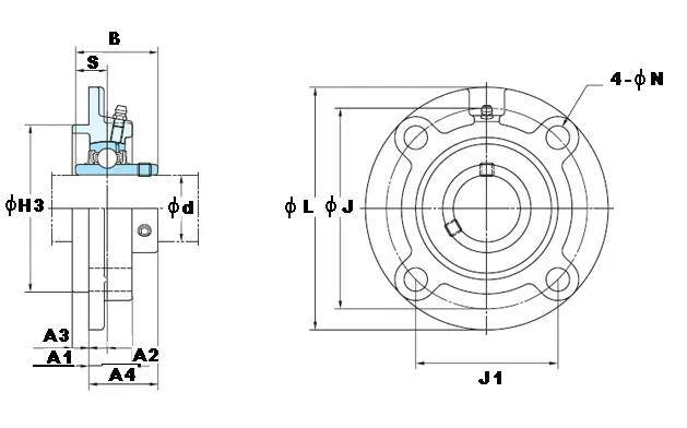
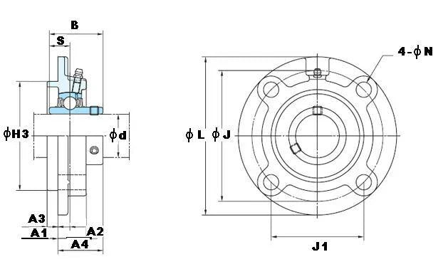
UCFC212 FYH Bearing Round flanged Mounted Bearing Cylindrical bore (with set screws) 60mm Inner Diameter Bearing |
This four-bolt flange cartridge unit has a round cartridge on the backside of the flange which allows for precise mounting and alignment.Application are Rotating drum, rotating roller and areas where precise mounting accuracy is required.
|
Share


