1
/
の
4
VXB
HC205-14 Bearing Insert - eccentric collar 7/8 Inch Mounted
HC205-14 Bearing Insert - eccentric collar 7/8 Inch Mounted
通常価格
$34.99 USD
通常価格
$54.00 USD
セール価格
$34.99 USD
単価
/
あたり
受取状況を読み込めませんでした
|
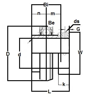
HC205-14 Bearing Insert Eccentric Locking Collar 7/8" Inch Inner Diameter |
HC205-14 Bearing Insert, Bearing is Standard load capacity, bearing is Wide inner ring with spherical outer ring, Bearing is relubrication groove with oil hole on set screw side, bearing has oil hole opposite groove makes it interchangeable with all manufacturers, bearing is nylon patched class 3A set screw, Standard seal is R-Seal.
|
| Dimensions (Inches) | ||||||||||
|---|---|---|---|---|---|---|---|---|---|---|
| D | L | Bi | Be | r | n | m | W | K | G | ds(UNF-Thread) |
| 2-3/64" | 1-3/4" | 1-3/4" | 19/32" | 0.059" | 11/16" | 11/16" | 1-1/2" | 17/32" | 13/64" | 1/4-28x1/4 |
Share
