1
/
の
3
VXB
HC213-41 Bearing Insert - Eccentric Collar 2 9/16" Mounted
HC213-41 Bearing Insert - Eccentric Collar 2 9/16" Mounted
通常価格
$118.99 USD
通常価格
$182.00 USD
セール価格
$118.99 USD
単価
/
あたり
受取状況を読み込めませんでした
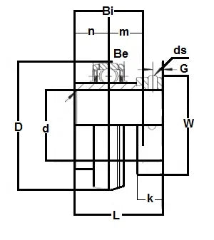
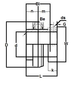
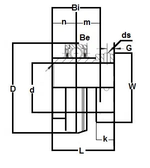
HC213-41 Bearing Insert with Eccentric Collar 2 9/16" Inch Inner Diameter |
HC213-41 Bearing Insert with eccentric collar, Bearing is standard duty, bearing is Wide inner ring with spherical outer ring, Bearing is re lubrication groove with oil hole on set screw side, bearing is nylon patched class 3A set screw, Standard seal is R-Seal.
|
Dimensions (Inches) | ||||||||
---|---|---|---|---|---|---|---|---|
D | Bi | Be | r | n | m | G | W | ds(UNF-Thread) |
4-23/32" | 2-9/16" | 1-1/16" | 0.098" | 1" | 1-9/16" | 31/64" | 3-15/64" | 3/8-24x3/8 |
Share


