1
/
の
2
VXB
HCF203-11 Steel Flanged 4-Bolt 11/16" Bore Mounted Bearing - Eccentric Collar
HCF203-11 Steel Flanged 4-Bolt 11/16" Bore Mounted Bearing - Eccentric Collar
通常価格
$49.99 USD
通常価格
$54.99 USD
セール価格
$49.99 USD
単価
/
あたり
受取状況を読み込めませんでした
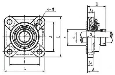
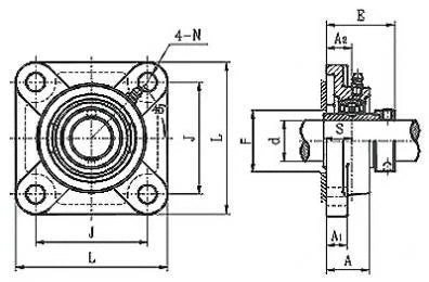
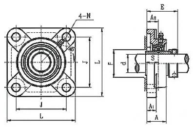
HCF203-11 Steel Flanged Units 4 Bolt Set Screw Locking with Eccentric Collar 11/16" Inner Diameter Ball Bearing |
HCF203-11 flanged 4 bolt ball bearing with eccentric collar, HCF203-11 is set screw locking, and has solid base housing construction, bearing has wide inner ring, bearing is relubricable unit with anti-rotation pin, bearing comes supplied with water and wash resistant Mobil grease.
|
Dimensions | |||||||||
---|---|---|---|---|---|---|---|---|---|
L | j | A2 | A1 | A | E | N | S | F min. | |
3 3/8" Inch | 2 17/32" | 3/4" | 19/32" | 1 5/32" | 1 25/32" | 7/16" | 21/32" | 1 7/32" |
Share

