1
/
の
3
NB
SMA25GWUU NB 25mm Slide Bush Bushings Motion Linear Bearing
SMA25GWUU NB 25mm Slide Bush Bushings Motion Linear Bearing
通常価格
$209.99 USD
通常価格
$321.00 USD
セール価格
$209.99 USD
単価
/
あたり
受取状況を読み込めませんでした
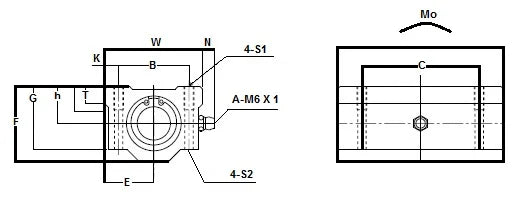
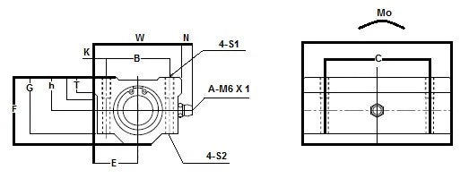
| SMA25GWUU NB Double Wide Block Type:Slide Unit Made in Japan:NB Linear Systems Nippon Bearing Linear Systems |
SMA25GWUU NB Double Wide Block Slide Unit, The inner diameter is 25mm, Bearing is seals on both sides, The retainer material is resin, Bearing is a high accuracy grade linear bushings, Series mainly used in the USA, NB brand (Nippon Bearing Linear Systems), made in Japan.
|
| Outer Dimensions | Mounting Dimensions | ||||||||||
|---|---|---|---|---|---|---|---|---|---|---|---|
| h | E | W | L | F | G | T | B | C | K | S1 | S2 |
| 26 | 38 | 76 | 130 | 51.5 | 42 | 12 | 54 | 50 | 11 | M8 | 7 |
Share
