1
/
の
3
NB
SMF8GUU 8mm Slide Bush Ball Bushings Linear Miniature Motion Bearing
SMF8GUU 8mm Slide Bush Ball Bushings Linear Miniature Motion Bearing
通常価格
$34.99 USD
通常価格
$54.00 USD
セール価格
$34.99 USD
単価
/
あたり
受取状況を読み込めませんでした
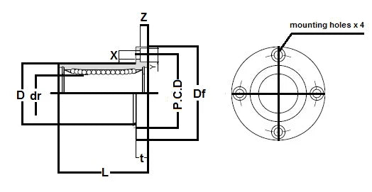
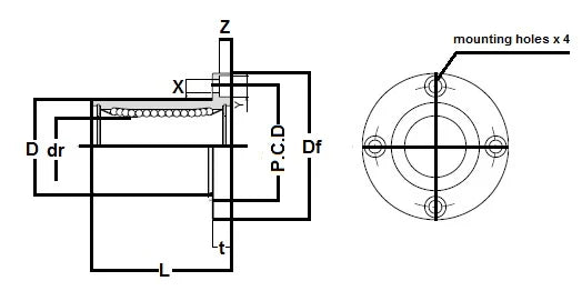
| SMF8GUU Round Flange Type:Miniature Slide Bush Made in Japan:NB Linear Systems Nippon Bearing Miniature Linear Systems |
SMF8GUU Round Miniature Linear Slide Bush, The retainer material is resin, Bearing is seals on both, series mainly used in the USA, NB brand (Nippon Bearing Linear Systems), Made in Japan.
|
| Major Dimensions | ||||||||
|---|---|---|---|---|---|---|---|---|
| dr | D | L | Df | t | P.C.D | X x Y x Z | ||
| mm | tolerance | mm | tolerance | |||||
| 8 | 0-9 | 15 | 0-13 | 24 | 32 | 5 | 24 | 3.5 x 6 x 3.1 |
Share
