1
/
の
3
VXB
UC201-8-BLK Oxide Plated Plated Insert 1/2 Bore Bearing
UC201-8-BLK Oxide Plated Plated Insert 1/2 Bore Bearing
通常価格
$45.99 USD
通常価格
$70.00 USD
セール価格
$45.99 USD
単価
/
あたり
受取状況を読み込めませんでした
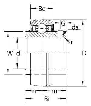
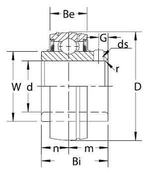
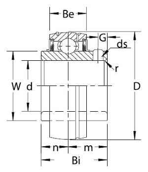
UC201-8-BLK Oxide Plated Insert Ball Bearing 1/2" inch Inner Diameter |
UC201-8-BLK Oxide Plated Insert Ball Bearing, bearing is wide inner ring with spherical outer ring, bearing is relubrication groove with oil hole on set screw side, bearing is anti-rotation pin on side opposite grease groove, bearing is nylon patched class 3A set screws.
|
Dimensions (inches) | ||||||||
---|---|---|---|---|---|---|---|---|
D | Bi | Be | r | n | m | G | W | ds(Unf-Thread) |
1-55/64" | 1-7/32" | 19/32" | 0.039" | 1/2" | 23/32" | 0.197" | 1-1/8" | 1/4-28x1/4 |
Share


