1
/
の
5
VXB
UC208-24 Black Oxide Plated Axle Bearing Insert Mounted 1-1/2"
UC208-24 Black Oxide Plated Axle Bearing Insert Mounted 1-1/2"
通常価格
$39.99 USD
通常価格
$61.00 USD
セール価格
$39.99 USD
単価
/
あたり
受取状況を読み込めませんでした
UC208-24 Black Oxide Plated Axle Insert Mounted Bearing 1 1/2" Inch Inner Diameter |
|
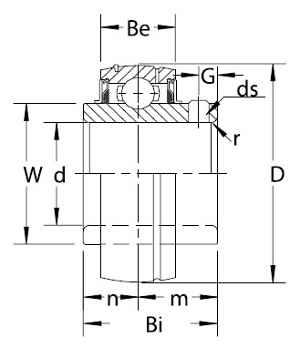
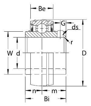
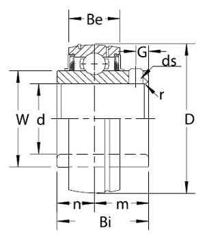
UC208-24 Black Oxide Plated Bearing Insert, bearing is Wide inner ring with spherical outer ring, Bearing is re lubrication groove with oil hole on set screw side.Black oxide has certain properties and characteristics that makes it ideal for certain applications. It is used to add corrosion resistance and for appearance.
|
Dimensions (Inches) | ||||||||
---|---|---|---|---|---|---|---|---|
D | Bi | Be | r | n | m | G | W | ds(UNF-Thread) |
3.15" | 1-15/16" | 55/64" | 5/64" | 3/4" | 1-3/16" | 0.315" | 2-1/16" | 5/16-24x5/16 |
Share




