1
/
の
4
VXB
UC213 65mm Black Oxide Plated Mounted Bearing Insert 65mm Inner Diameter
UC213 65mm Black Oxide Plated Mounted Bearing Insert 65mm Inner Diameter
通常価格
$153.99 USD
通常価格
$236.00 USD
セール価格
$153.99 USD
単価
/
あたり
受取状況を読み込めませんでした
UC213 Black Oxide Plated Mounted Bearing Insert 65mm Inner Diameter |
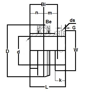
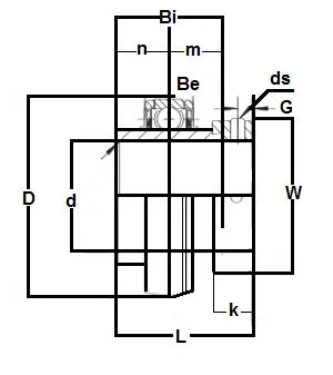
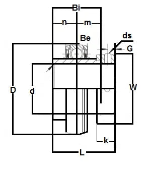
UC213 65mm Black Oxide Plated Mounted Bearing Insert, Bearing is standard duty, bearing is Wide inner ring with spherical outer ring, Bearing is re lubrication groove with oil hole on set screw side. Black oxide has certain properties and characteristics that makes it ideal for certain applications. It is used to add corrosion resistance and for appearance.
|
Dimensions (mm) | ||||||||
---|---|---|---|---|---|---|---|---|
D | Bi | Be | r | n | m | G | W | ds(UNF-Thread) |
120 | 65.1 | 27 | 2.5 | 25.4 | 39.7 | 12 | 82.1 | M10xP1.25 |
Share



