1
/
の
4
VXB
UC215-48 Black Oxide Plated Mounted Bearing Insert 3" Mounted
UC215-48 Black Oxide Plated Mounted Bearing Insert 3" Mounted
通常価格
$195.99 USD
通常価格
$300.00 USD
セール価格
$195.99 USD
単価
/
あたり
受取状況を読み込めませんでした
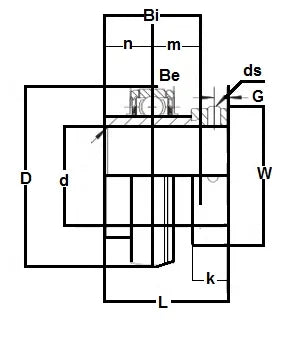
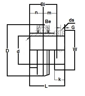
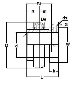
UC215-48 Black Oxide Plated Mounted Bearing Insert 3" Inch Inner Diameter |
UC215-48 Black Oxide Plated Mounted Bearing Insert, Bearing is standard duty, bearing is Wide inner ring with spherical outer ring, Bearing is relubrication groove with oil hole on set screw side, bearing is nylon patched class 3A set screw, Standard seal is R-Seal.
|
Dimensions (Inches) | ||||||||
---|---|---|---|---|---|---|---|---|
D | Bi | Be | r | n | m | G | W | ds(UNF-Thread) |
5-7/64" | 3-1/16" | 1-3/16" | 0.098" | 1-5/16" | 1-3/4" | 7/16" | 3-39/64" | 7/16-20x7/16 |
Share



