1
/
の
4
VXB
UC218-56 Black Oxide Plated Axle Bearing Insert 3 1/2" Mounted
UC218-56 Black Oxide Plated Axle Bearing Insert 3 1/2" Mounted
通常価格
$355.99 USD
通常価格
$545.00 USD
セール価格
$355.99 USD
単価
/
あたり
受取状況を読み込めませんでした
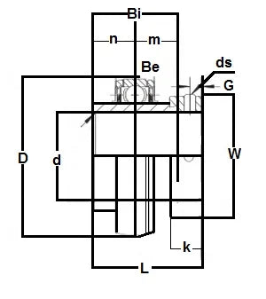
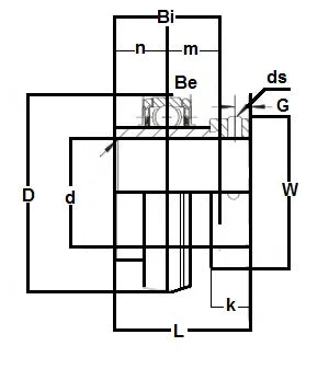
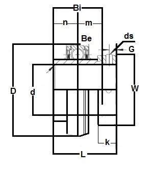
UC218-56 Black Oxide Plated Axle Bearing Insert 3 1/2" Inch Inner Diameter |
UC218-56 Black Oxide Plated Axle Bearing Insert, Bearing is standard duty, bearing is Wide inner ring with spherical outer ring. Black oxide has certain properties and characteristics that makes it ideal for certain applications. It is used to add corrosion resistance and for appearance.
|
Dimensions (Inches) | ||||||||
---|---|---|---|---|---|---|---|---|
D | Bi | Be | r | n | m | G | W | ds(UNF-Thread) |
6-19/64" | 3-25/32" | 1.417" | 0.118" | 1-9/16" | 2-7/32" | 19/32" | 4-25/64" | 1/2-20x1/2 |
Share



