1
/
の
3
VXB
UCFA202-10 Black Oxide Plated Insert Flange Cartridge Bearing Unit 5/8" Bore Mounted Bearing
UCFA202-10 Black Oxide Plated Insert Flange Cartridge Bearing Unit 5/8" Bore Mounted Bearing
通常価格
$54.99 USD
通常価格
$84.00 USD
セール価格
$54.99 USD
単価
/
あたり
受取状況を読み込めませんでした
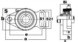
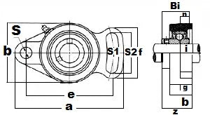
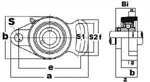
UCFA202-10 Black Oxide Plated Insert Flange Cartridge Unit 5/8" Inner Diameter |
UCFA202-10 Black Oxide Plated Insert Flange Cartridge Unit, the inner Diameter is 5/8" inch. Black oxide has certain properties and characteristics that makes it ideal for certain applications. It is used to add corrosion resistance and for appearance
|
Dimensions (Inches) | |||||||||||
---|---|---|---|---|---|---|---|---|---|---|---|
a | e | i | g | S | S1 | S2 | b | f | z | Bi | n |
4-1/64" | 3-1/16" | 19/32" | 15/32" | 25/64" | 25/64" | 1-27/64" | 2-3/8" | 2-1/8" | 15/16" | 1-7/32" | 1/2" |
Share


