1
/
の
2
VXB
UCFA205-14 Black Oxide Plated Insert Bearing Flange Cartridge Unit 7/8" Bearing
UCFA205-14 Black Oxide Plated Insert Bearing Flange Cartridge Unit 7/8" Bearing
通常価格
$57.99 USD
通常価格
$89.00 USD
セール価格
$57.99 USD
単価
/
あたり
受取状況を読み込めませんでした
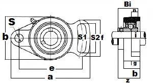
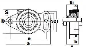
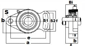
UCFA205-14 Black Oxide Plated Insert Bearing Flange Cartridge Unit 7/8" Inner Diameter Bearing |
UCFA205-14 Flange Cartridge Unit, bearing is set screw type,the inner Diameter is 7/8" inch. Black oxide has certain properties and characteristics that makes it ideal for certain applications. It is used to add corrosion resistance and for appearance UCFA204-12 Bearing
|
Share

