1
/
の
8
VXB
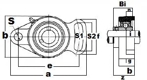
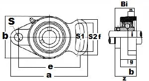
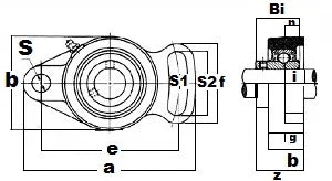
UCFA205-14 Flange Cartridge Unit 7/8 Bearing
UCFA205-14 Flange Cartridge Unit 7/8 Bearing
通常価格
$26.99 USD
通常価格
$41.00 USD
セール価格
$26.99 USD
単価
/
あたり
受取状況を読み込めませんでした
UCFA205-14 Flange Cartridge Unit 7/8" Inner Diameter Bearing |
UCFA205-14 Flange Cartridge Unit, bearing is set screw type,the inner Diameter is 7/8" inch.
|
Share







