1
/
の
2
VXB
UCFA207-20 Black Oxide Plated insert Flange Cartridge Bearing Unit 1-1/4" Mounted Bearing
UCFA207-20 Black Oxide Plated insert Flange Cartridge Bearing Unit 1-1/4" Mounted Bearing
通常価格
$67.99 USD
通常価格
$104.00 USD
セール価格
$67.99 USD
単価
/
あたり
受取状況を読み込めませんでした
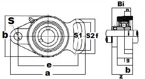
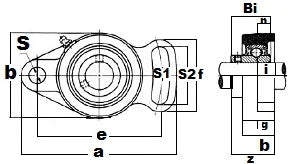
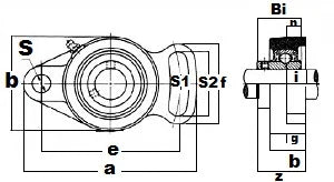
UCFA207-20 Black Insert Adjustable Flange Cartridge Unit 1 1/4" inch Inner Diameter |
UCFA207-20 Black Insert Adjustable Flange Cartridge Unit, the inner Diameter is 1 1/4" inch. Black oxide has certain properties and characteristics that makes it ideal for certain applications. It is used to add corrosion resistance and for appearance
|
Dimensions (inch) | |||||||||||
---|---|---|---|---|---|---|---|---|---|---|---|
a | e | i | g | S | S1 | S2 | b | f | z | Bi | n |
6-11/32" | 5-1/8" | 3/4" | 5/8" | 35/64" | 19/32" | 2-19/32" | 3-35/64" | 3-15/64" | 1-3/4" | 1-11/16" | 11/16" |
Share

