1
/
の
5
VXB
UCFA208-24 Adjustable Flange Cartridge Bearing 1-1/2" Mounted
UCFA208-24 Adjustable Flange Cartridge Bearing 1-1/2" Mounted
通常価格
$49.99 USD
通常価格
$76.00 USD
セール価格
$49.99 USD
単価
/
あたり
受取状況を読み込めませんでした
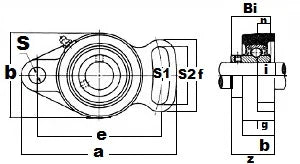
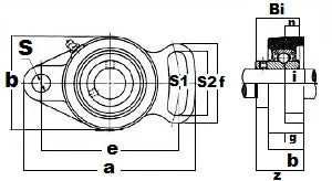
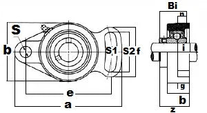
UCFA208-24 Adjustable Flange Cartridge Unit 1 1/2" inch Inner Diameter Bearing |
UCFA208-24 Adjustable Flange Cartridge Unit, the inner Diameter is 1 1/2" inch.
|
Dimensions (inch) | |||||||||||
---|---|---|---|---|---|---|---|---|---|---|---|
a | e | i | g | S | S1 | S2 | b | f | z | Bi | n |
6-57/64" | 5-43/64" | 53/64" | 5/8" | 35/64" | 19/32" | 2-51/64" | 3-15/16" | 3-27/64" | 2-1/16" | 1-15/16" | 4/3" |
Share




