1
/
の
3
VXB
UCP212-38 2-3/8" Black oxide Plated Insert Pillow Block Mounted Bearing
UCP212-38 2-3/8" Black oxide Plated Insert Pillow Block Mounted Bearing
通常価格
$115.99 USD
通常価格
$177.00 USD
セール価格
$115.99 USD
単価
/
あたり
受取状況を読み込めませんでした
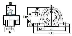
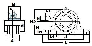
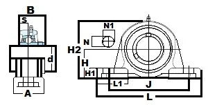
UCP212-38 Black oxide Plated Insert Pillow Block Bearing Cylindrical bore (with set screws) 2 3/8" Inner Diameter Bearing |
This is the most common type of mounted ball unit. Black oxide has certain properties and characteristics that makes it ideal for certain applications. It is used to add corrosion resistance and for appearance.
|
Dimensions (inches) | |||||||||||
---|---|---|---|---|---|---|---|---|---|---|---|
d | H | L | A | J | N | N1 | H1 | H2 | L1 | B | S |
2-7/16" | 3" | 11-1/4" | 3-1/4" | 8" | 31/32" | 1-9/16" | 1-3/32" | 5-31/32" | 3-15/32" | 2-9/16" | 1" |
Share


