1
/
の
3
VXB
ZUCPAS201-8-PBT Zinc Chromate Plated Tapped Base 1/2 Mounted Bearing
ZUCPAS201-8-PBT Zinc Chromate Plated Tapped Base 1/2 Mounted Bearing
通常価格
$159.99 USD
通常価格
$245.00 USD
セール価格
$159.99 USD
単価
/
あたり
受取状況を読み込めませんでした
This item will be shipped within One Week Returns Subject to 15% restocking Fee |
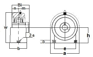
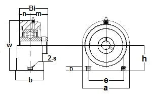
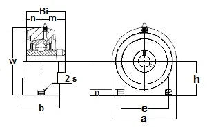
ZUCPAS201-8-PBT Thermoplastic Tapped Base Pillow Block Zinc Chromate Plated Insert 1/2" inch Inner Diameter |
ZUCPAS201-8-PBT Thermoplastic Tapped Base Pillow Block Ball Bearing, bearing is Zinc Chromate Plated Insert, bearing has solid base housing construction, bearing is wide inner ring with set screws, bearing is relubricatable unit with anti-rotation pin, bearing has supplied with water and wash resistant mobilgrease.
|
Share


