1
/
의
3
VXB
HC209-27 Bearing Insert - Eccentric Collar 1 11/16 Inch Mounted
HC209-27 Bearing Insert - Eccentric Collar 1 11/16 Inch Mounted
정가
$62.99 USD
정가
$96.00 USD
할인가
$62.99 USD
단가
/
단위
픽업 사용 가능 여부를 로드할 수 없습니다.
|
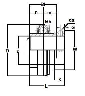
HC209-27 Bearing Insert Eccentric Locking Collar 1 11/16" Inch Inner Diameter |
HC209-27 Bearing Insert, Bearing is Standard load capacity, bearing is Wide inner ring with spherical outer ring, Bearing is re lubrication groove with oil hole on set screw side, bearing has oil hole opposite groove makes it interchangeable with all manufacturers, bearing is nylon patched class 3A set screw, Standard seal is R-Seal.
|
| Dimensions (Inches) | ||||||||||
|---|---|---|---|---|---|---|---|---|---|---|
| D | L | Bi | Be | r | n | m | W | K | G | ds(UNF-Thread) |
| 3-11/32" | 2-7/32" | 1-11/16" | 57/64" | 5/64" | 27/32" | 27/32" | 2-1/2" | 23/32" | 0.256" | 3/8-24x3/8 |
Share
