1
/
의
4
VXB
HC209 45mm Bearing Insert Eccentric Collar 45mm Mounted
HC209 45mm Bearing Insert Eccentric Collar 45mm Mounted
정가
$58.99 USD
정가
$90.00 USD
할인가
$58.99 USD
단가
/
단위
픽업 사용 가능 여부를 로드할 수 없습니다.
|
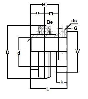
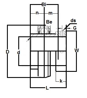
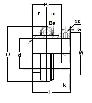
HC209 45mm Bearing Insert Eccentric Locking Collar 45mm Inner Diameter |
HC209-45mm Bearing Insert, Bearing is Standard load capacity, bearing is Wide inner ring with spherical outer ring, Bearing is re lubrication groove with oil hole on set screw side, bearing has oil hole opposite groove makes it interchangeable with all manufacturers, bearing is nylon patched class 3A set screw, Standard seal is R-Seal.
|
| Dimensions (mm) | ||||||||||
|---|---|---|---|---|---|---|---|---|---|---|
| D | L | Bi | Be | r | n | m | W | K | G | ds(UNF-Thread) |
| 85 | 56.3 | 42.8 | 22 | 2 | 21.4 | 21.4 | 63.5 | 18.3 | 6.5 | M10xP1.25 |
Share
