1
         / 
        의
        3
      
      
    VXB
HC215-48 Bearing Insert - eccentric collar 3 Inch Mounted
HC215-48 Bearing Insert - eccentric collar 3 Inch Mounted
정가
          
            $262.99 USD
          
      
          정가
          
            
              
                $402.00 USD
              
            
          할인가
        
          $262.99 USD
        
      
      
        단가
        
          
          /
           단위 
          
          
        
      
    픽업 사용 가능 여부를 로드할 수 없습니다.
| 
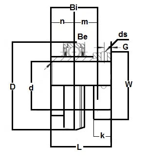
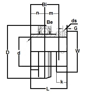
HC215-48 Bearing Insert  Eccentric Locking Collar 3" Inch Inner Diameter  | 
HC215-48 Bearing Insert, Bearing is Standard load capacity, bearing is Wide inner ring with spherical outer ring, Bearing is relubrication groove with oil hole on set screw side, bearing has oil hole opposite groove makes it interchangeable with all manufacturers, bearing is nylon patched class 3A set screw, Standard seal is R-Seal. 
  | 
| Dimensions (Inches) | ||||||||||
|---|---|---|---|---|---|---|---|---|---|---|
| D | L | Bi | Be | r | n | m | W | K | G | ds(UNF-Thread) | 
| 5-7/64" | 3-5/8" | 2-15/16" | 1.181" | 0.098" | 1-15/32" | 1-15/32" | 4" | 15/16" | 21/64" | 7/16-20x7/16 | 
Share
