1
/
의
3
NB
SMF8sGUU NB 8mm Slide Bush Ball Bushings Linear Miniature Motion Bearing
SMF8sGUU NB 8mm Slide Bush Ball Bushings Linear Miniature Motion Bearing
정가
$39.99 USD
정가
$61.00 USD
할인가
$39.99 USD
단가
/
단위
픽업 사용 가능 여부를 로드할 수 없습니다.
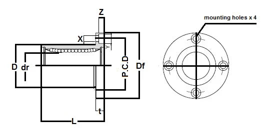
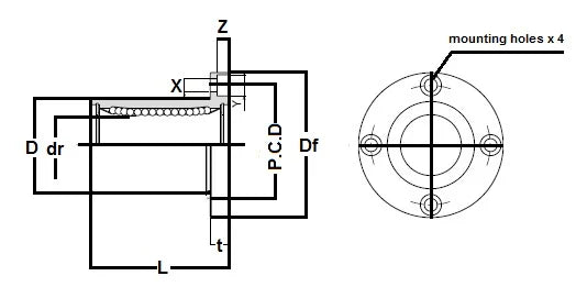
| SMF8sGUU Round Flange Type:Miniature Slide Bush Made in Japan:NB Linear Systems Nippon Bearing Miniature Linear Systems |
SMF8sGUU Round Miniature Linear Slide Bush, The retainer material is resin, Bearing is seals on both, series mainly used in the USA, NB brand (Nippon Bearing Linear Systems), Made in Japan.
|
| Major Dimensions | ||||||||
|---|---|---|---|---|---|---|---|---|
| dr | D | L | Df | t | P.C.D | X x Y x Z | ||
| mm | tolerance | mm | tolerance | |||||
| 8 | 0-9 | 15 | 0-13 | 24 | 32 | 5 | 24 | 3.5 x 6 x 3.1 |
Share
