1
/
의
2
NB
SMT6GUU NB 6mm Slide Bush Bushings Miniature Motion Linear Bearing
SMT6GUU NB 6mm Slide Bush Bushings Miniature Motion Linear Bearing
정가
$39.99 USD
정가
$61.00 USD
할인가
$39.99 USD
단가
/
단위
픽업 사용 가능 여부를 로드할 수 없습니다.
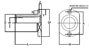
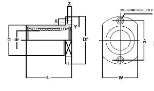
| SMT6GUU NB Two Side Cut Flange Slide Bush Made in Japan:NB Linear Systems Nippon Bearing Linear Systems |
SMT6GUU NB Two Side Cut Flange Linear Slide Bush, The retainer material is resin, series mainly used in the USA, NB brand (Nippon Bearing Linear Systems), Made in Japan.
|
| Major Dimensions | |||||||||
|---|---|---|---|---|---|---|---|---|---|
| dr | D | L | Df | W | t | A | X x Y x Z | ||
| mm | tolerance | mm | tolerance | ||||||
| 6 | 0-9 | 12 | 0-13 | 19 | 28 | 18 | 5 | 20 | 3.5 x 6 x 3.1 |
Share
