1
/
van
4
VXB
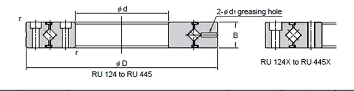
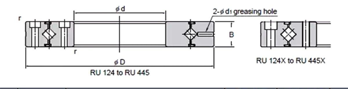
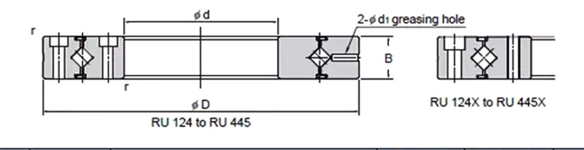
RU148UU Cross Roller Slewing Ring Turntable Bearing 90x210x25mm
RU148UU Cross Roller Slewing Ring Turntable Bearing 90x210x25mm
Normale prijs
$699.00 USD
Normale prijs
$1,860.00 USD
Aanbiedingsprijs
$699.00 USD
Eenheidsprijs
/
per
Kan beschikbaarheid voor afhalen niet laden
RU148UU Cross Roller Bearing 90x210x25mm |
RU148UU With the Cross-Roller Ring, cylindrical rollers are arranged crosswise.This design allows just one bearing to receive loads in all directions including, radial, axial and moment load. The inner and outer rings are designed to be separable, the bearing clearance can be adjusted. In addition, highly accurate rotary motion is ensured through adjusting the bearing clearance to provide a preload. .
|
Share



