1
/
van
9
VXB
RU42UU Cross Roller Slewing Ring Turntable Bearing 20x70x12mm
RU42UU Cross Roller Slewing Ring Turntable Bearing 20x70x12mm
Normale prijs
$199.99 USD
Normale prijs
$319.99 USD
Aanbiedingsprijs
$199.99 USD
Eenheidsprijs
/
per
Kan beschikbaarheid voor afhalen niet laden
RU42UU Cross Roller Bearing 20x70x12mm |
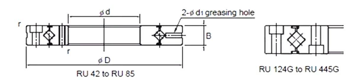
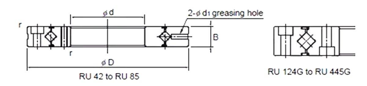
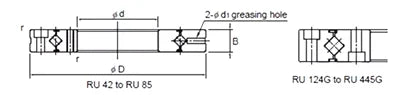
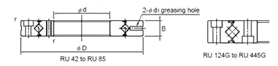
RU42UU With the Cross-Roller Ring, cylindrical rollers are arranged crosswise.This design allows just one bearing to receive loads in all directions including, radial, axial and moment load. The inner and outer rings are designed to be separable, the bearing clearance can be adjusted. In addition, highly accurate rotary motion is ensured through adjusting the bearing clearance to provide a preload. .
|
Dimensions (mm) | |||||||||||
---|---|---|---|---|---|---|---|---|---|---|---|
Model number | inner ring d | outer ring D | Roller pitch circle diameter dp | width B | Greasing hole d1 | r | ds | Dh | Dynamic rate C | Basic rate Co | |
RU42UU | 20 | 70 | 42 | 12 | 3.1 | 0.6 | 37 | 47 | 7350N | 8350N |
Share








