Skip to product information
1 of 2

NBK

Made in Japan SLHS-M2.5-6 NBK Socket Head Cap Screws - Low Profile Pack of 50

Made in Japan SLHS-M2.5-6 NBK Socket Head Cap Screws - Low Profile Pack of 50

Regular price $57.99 USD
Regular price $89.00 USD Sale price $57.99 USD
Sale Sold out
Made in Japan SLHS-M2.5-6 NBK
Socket Head Cap Screws with Low Profile
Pack of 50


Applivcation
    Reducing the size of equipment and devices
Characteristics:
  • Socket head cap screws have low head heights.
  • Intended for reducing the size of devices and applications with limited overhead space


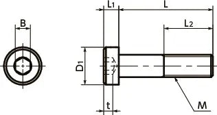
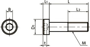
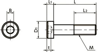
Part Number M L D1 L1 B t L2 Max. Torque(N-m) Quantity Per Pack
SLHS-M2.5-6-NBK M2.5 6mm 4.5mm 1.6mm 1.5mm 1mm Full Thread 0.36 N.m 50

View full details