1
/
of
3
NB
SMSF20G 20mm Slide Bush Bushings Miniature Motion Linear Bearing
SMSF20G 20mm Slide Bush Bushings Miniature Motion Linear Bearing
Regular price
$116.99 USD
Regular price
$179.00 USD
Sale price
$116.99 USD
Unit price
/
per
Couldn't load pickup availability
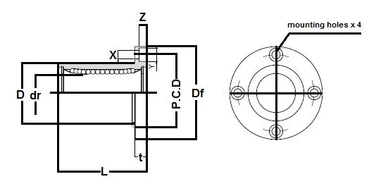
SMSF20G Round Flange Anticorrosion Type:Miniature Slide Bush Made in Japan:NB Linear Systems Nippon Bearing Miniature Linear Systems |
SMSF20G Round Flange Anticorrosion Miniature Linear Slide Bush, The retainer material is resin, series mainly used in the USA, NB brand (Nippon Bearing Linear Systems), Made in Japan.
|
Major Dimensions | ||||||||
---|---|---|---|---|---|---|---|---|
dr | D | L | Df | t | P.C.D | X x Y x Z | ||
mm | tolerance | mm | tolerance | |||||
20 | 0-10 | 32 | 0-19 | 42 | 54 | 8 | 43 | 5.5 x 9 x 5.1 |
Share


