1
/
of
3
NB
SMSF25UU 25mm Slide Bush Bushings Motion Linear Bearing
SMSF25UU 25mm Slide Bush Bushings Motion Linear Bearing
Regular price
$139.99 USD
Regular price
$214.00 USD
Sale price
$139.99 USD
Unit price
/
per
Couldn't load pickup availability
| SMSF25UU Round Anticorrosion Flange Type Slide Bush Made in Japan:NB Linear Systems Nippon Bearing Linear Systems |
SMSF25UU Round Anticorrosion Linear Slide Bush, The retainer material is steel, It is seals pn both sides, series mainly used in the USA, NB brand (Nippon Bearing Linear Systems), Made in Japan.
|
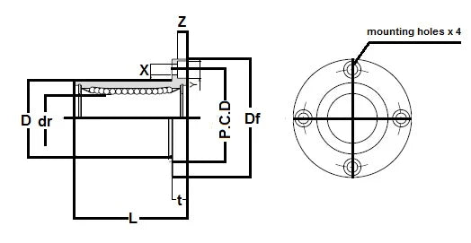
| Major Dimensions | ||||||||
|---|---|---|---|---|---|---|---|---|
| dr | D | L | Df | t | P.C.D | X x Y x Z | ||
| mm | tolerance | mm | tolerance | |||||
| 25 | 0-10 | 40 | 0-19 | 59 | 62 | 8 | 51 | 5.5 x 9 x 5.1 |
Share
