1
/
of
3
NB
SMSF50G 50mm Slide Bush Bushings Motion Linear Bearing
SMSF50G 50mm Slide Bush Bushings Motion Linear Bearing
Regular price
$437.99 USD
Regular price
$670.00 USD
Sale price
$437.99 USD
Unit price
/
per
Couldn't load pickup availability
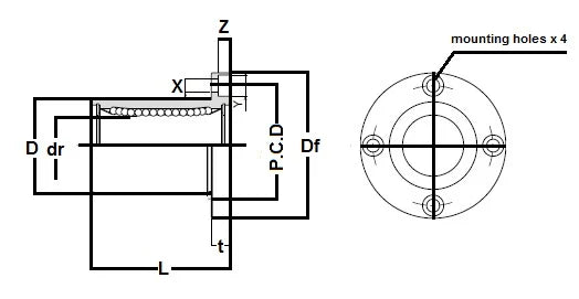
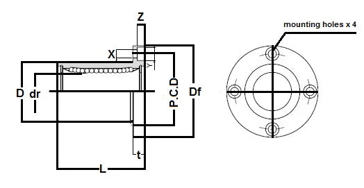
SMSF50G Round Flange Anticorrosion Type Slide Bush Made in Japan:NB Linear Systems Nippon Bearing Linear Systems |
SMSF50G Round Flange Anticorrosion Linear Slide Bush, The retainer material is steel, series mainly used in the USA, NB brand (Nippon Bearing Linear Systems), Made in Japan.
|
Major Dimensions | ||||||||
---|---|---|---|---|---|---|---|---|
dr | D | L | Df | t | P.C.D | X x Y x Z | ||
mm | tolerance | mm | tolerance | |||||
50 | 0-12 | 80 | 0-22 | 100 | 116 | 13 | 98 | 9 x 14 x 8.1 |
Share


