1
/
of
2
NBK
SNBS-#10-24-3/8 NBK Hex Socket Head Cap Screws - Inch Thread- Pack of 10. Made in Japan
SNBS-#10-24-3/8 NBK Hex Socket Head Cap Screws - Inch Thread- Pack of 10. Made in Japan
Regular price
$46.99 USD
Regular price
$72.00 USD
Sale price
$46.99 USD
Unit price
/
per
Couldn't load pickup availability
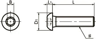
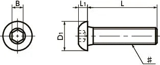
SNBS-#10-24-3/8 NBK Socket Button Head Cap Screws Inch Thread- Pack of 10 Made in Japan |
Characteristics:
|
Part Number | ƒ??Nominal | L | D1 | L1 | B | Quantity Per Pack |
SNBS-10-24-3-8-NBK | No.10-24UNC | 3/8in | 0.361in | 0.101in | 1/8in | 10 |
Share

