VXB
UCFA206 Adjustable Flange Cartridge Bearing Unit 30mm ID - Bolt-On Adjustable Mount
UCFA206 Adjustable Flange Cartridge Bearing Unit 30mm ID - Bolt-On Adjustable Mount
Couldn't load pickup availability
UCFA206 Adjustable Flange Cartridge Bearing Unit
✔️ 30mm ID - Heavy Duty Housing - Bolt-On Adjustable Mount
The UCFA206 is an adjustable flange cartridge bearing unit with a 30mm inner diameter, designed for rugged industrial use. Featuring a UC206 insert and FA206 housing, this unit handles heavy radial loads and misalignment, making it ideal for conveyors, material handling systems, and machinery frames.
✅ Type: Adjustable flange cartridge unit
✅ Inner diameter: 30mm
✅ Insert bearing: UC206
✅ Housing: FA206
✅ Bolt size: 3/8"
✅ Dynamic load rating (Cr): 19.5 kN
✅ Static load rating (Cor): 11.3 kN
✅ Quantity: 1 unit
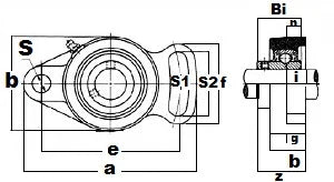
Dimensions (mm):
-
a: 144.1
-
e: 117.1
-
i: 17.9
-
g: 13.9
-
S: 11.9
-
S1: 13.1
-
S2: 58
-
b: 80.1
-
f: 71.8
-
z: 40.64
-
Bi: 38.1
-
n: 15.9
💡 What is an adjustable flange cartridge bearing used for?
This unit is designed for applications where both secure mounting and flexibility are needed. The adjustable flange allows for easy shaft alignment and adjustment in conveyors, fans, pumps, and agricultural machinery.
A durable and versatile mounted unit built for performance in dynamic environments.
Share



