1
/
de
3
FYH
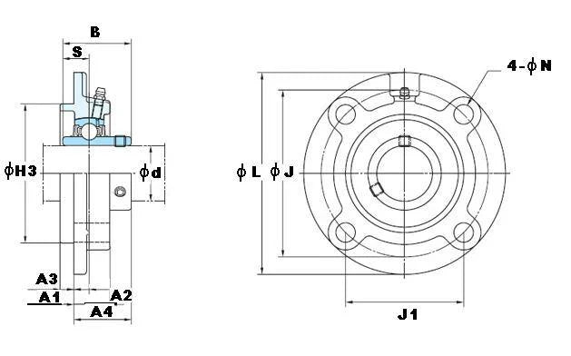
FYH UCFC-209 45mm Round Flanged Bearing Mounted Bearing
FYH UCFC-209 45mm Round Flanged Bearing Mounted Bearing
Preço normal
$116.99 USD
Preço normal
$179.00 USD
Preço promocional
$116.99 USD
Preço unitário
/
por
Não foi possível carregar a disponibilidade de retirada.
UCFC-209 FYH Bearing Round flanged Mounted Bearing Cylindrical bore (with set screws) 45mm Inner Diameter Bearing |
This four-bolt flange cartridge unit has a round cartridge on the backside of the flange which allows for precise mounting and alignment.Application are Rotating drum, rotating roller and areas where precise mounting accuracy is required.
|
Share


