1
/
de
3
NB
SMF40GUU 40mm Slide Bush Miniature Bushings Motion Linear Bearing
SMF40GUU 40mm Slide Bush Miniature Bushings Motion Linear Bearing
Preço normal
$174.99 USD
Preço normal
$268.00 USD
Preço promocional
$174.99 USD
Preço unitário
/
por
Não foi possível carregar a disponibilidade de retirada.
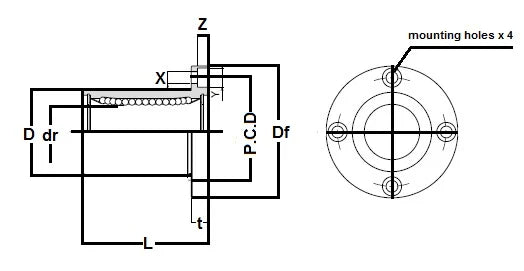
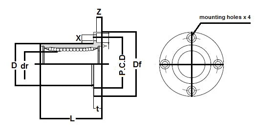
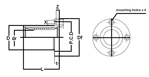
| SMF40GUU Round Flange Type Slide Bush Made in Japan:NB Linear Systems Nippon Bearing Linear Systems |
SMF40GUU Round Linear Slide Bush, The retainer material is resin, Bearing is seals on both, series mainly used in the USA, NB brand (Nippon Bearing Linear Systems), Made in Japan.
|
| Major Dimensions | ||||||||
|---|---|---|---|---|---|---|---|---|
| dr | D | L | Df | t | P.C.D | X x Y x Z | ||
| mm | tolerance | mm | tolerance | |||||
| 40 | 0-12 | 60 | 0-22 | 80 | 96 | 13 | 78 | 9 x 14 x 8.1 |
Share
