1
/
de
3
NB
SMSF8G 8mm Slide Bush Bushings Miniature Motion Linear Bearing
SMSF8G 8mm Slide Bush Bushings Miniature Motion Linear Bearing
Preço normal
$54.99 USD
Preço normal
$84.00 USD
Preço promocional
$54.99 USD
Preço unitário
/
por
Não foi possível carregar a disponibilidade de retirada.
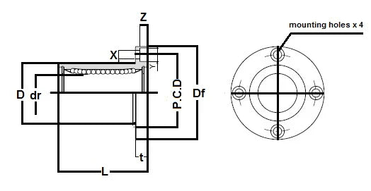
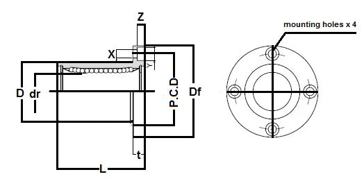
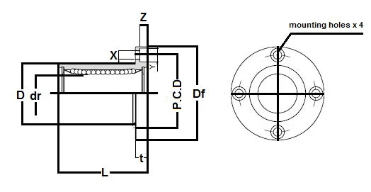
| SMSF8G Round Flange Anticorrosion Type:Miniature Slide Bush Made in Japan:NB Linear Systems Nippon Bearing Miniature Linear Systems |
SMSF8G Round Flange Anticorrosion Miniature Linear Slide Bush, The retainer material is resin, series mainly used in the USA, NB brand (Nippon Bearing Linear Systems), Made in Japan.
|
| Major Dimensions | ||||||||
|---|---|---|---|---|---|---|---|---|
| dr | D | L | Df | t | P.C.D | X x Y x Z | ||
| mm | tolerance | mm | tolerance | |||||
| 8 | 0-9 | 15 | 0-13 | 24 | 32 | 5 | 24 | 3.5 x 6 x 3.1 |
Share
