1
/
av
4
FYH
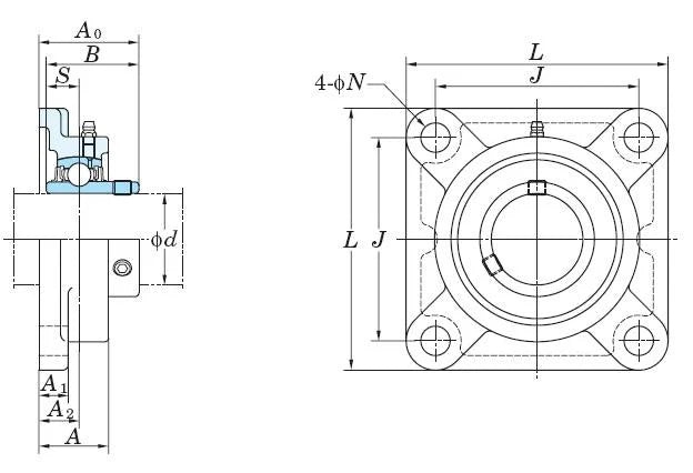
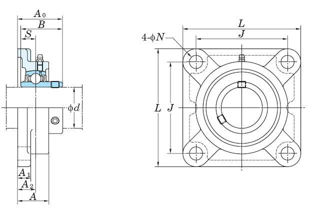
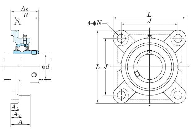
FYH Bearing UCF-206-18 1 1/8 Square Flanged Mounted Bearing
FYH Bearing UCF-206-18 1 1/8 Square Flanged Mounted Bearing
Ordinarie pris
$78.99 USD
Ordinarie pris
$121.00 USD
Försäljningspris
$78.99 USD
Enhetspris
/
per
Det gick inte att ladda hämtningstillgänglighet
| UCF-206-18 FYH Bearing Square Flanged Mounted Bearing Cylindrical bore (with set screws) 1 1/8" Inner Diameter |
|
This heavy duty four-bolt flange unit has a round cartridge on the backside of the flange which allows for precise mounting and alignment.Applications are Rotating drum, rotating roller and when precise mounting accuracy is required.
|
||||||||||||||||||||||||||||||||||
Share
