1
/
av
3
FYH
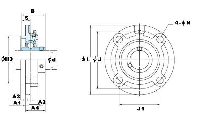
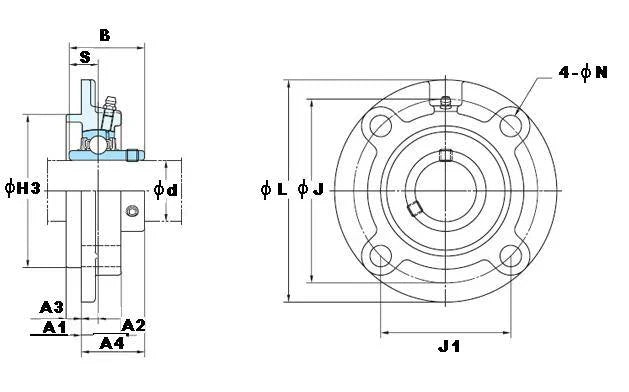
FYH UCFC-217-52 3 1/4 Round Flanged Bearing Mounted Bearing
FYH UCFC-217-52 3 1/4 Round Flanged Bearing Mounted Bearing
Ordinarie pris
$533.99 USD
Ordinarie pris
$817.00 USD
Försäljningspris
$533.99 USD
Enhetspris
/
per
Det gick inte att ladda hämtningstillgänglighet
| UCFC-217-52 FYH Bearing Round flanged Mounted Bearing Cylindrical bore (with set screws) 3-1/4" Inner Diameter Bearing |
|
This four-bolt flange cartridge unit has a round cartridge on the backside of the flange which allows for precise mounting and alignment.Application are Rotating drum, rotating roller and areas where precise mounting accuracy is required.
|
|||||||||||||||||||||||||||||||||||||||
Share
