1
/
av
2
NB
SMT8UU NB 8mm Slide Bush Bushings Miniature Motion Linear Bearing
SMT8UU NB 8mm Slide Bush Bushings Miniature Motion Linear Bearing
Ordinarie pris
$54.99 USD
Ordinarie pris
$84.00 USD
Försäljningspris
$54.99 USD
Enhetspris
/
per
Det gick inte att ladda hämtningstillgänglighet
| SMT8UU NB Two Side Cut Flange Slide Bush Made in Japan:NB Linear Systems Nippon Bearing Linear Systems |
SMT8UU NB Two Side Cut Flange Linear Slide Bush, The retainer material is steel, series mainly used in the USA, NB brand (Nippon Bearing Linear Systems), Made in Japan.
|
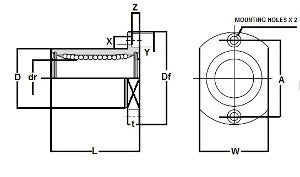
| Major Dimensions | |||||||||
|---|---|---|---|---|---|---|---|---|---|
| dr | D | L | Df | W | t | A | X x Y x Z | ||
| mm | tolerance | mm | tolerance | ||||||
| 8 | 0-9 | 15 | 0-13 | 24 | 32 | 21 | 5 | 24 | 3.5 x 6 x 3.1 |
Share
